Language
Chinese
English
Search
Log on
Home
Products
Solution
Choose us
News
About us
Data download
Contact us
Home
Products
Auxiliary Machines
Robots
Cobot
Conveyors
Six Axis Robots
K-Series Robot
EOAT Accessories
Solution
Choose us
News
About us
Data download
Video
Word
Contact us
Popular searches
Auxiliary Machines
Robots
Cobot
Conveyors
Six Axis Robots
K-Series Robot
EOAT Accessories
Products
You are here:
Home
/
Products
/
EOAT Accessories
/
Eoat Components
Auxiliary Machines
Robots
Cobot
Conveyors
Six Axis Robots
K-Series Robot
EOAT Accessories
Product class
Auxiliary Machines
Drying & Dehumidifying
Granulating & Recycling
Heating & Cooling
Dosing & Mixing
Material Conveying
Robots
Full Servo Robot
High-speed Flexible In Mould Labeling System
One Axis Servo Robot
Sprue Picker
Cobot
Conveyors
Six Axis Robots
ED Series
ER Series
Controller
Standard Series
K-Series Robot
Six-axis robot
Scara Robot
EOAT Accessories
3/5 Series
10 Series
20 Series
30/35/50 Series
Miniature Air Nipper
Nozzle Fixture EDD20 Series
Nozzle Fixture EGRZ Series
Fast Conversion Series
Pneumatic Finger Series
Telescopic Rod Series
Suction Cup Series
Profile Fixing Series
Quick Changer
Eoat Components
Gripp Components
Vacuum Components
Fitting
Jip
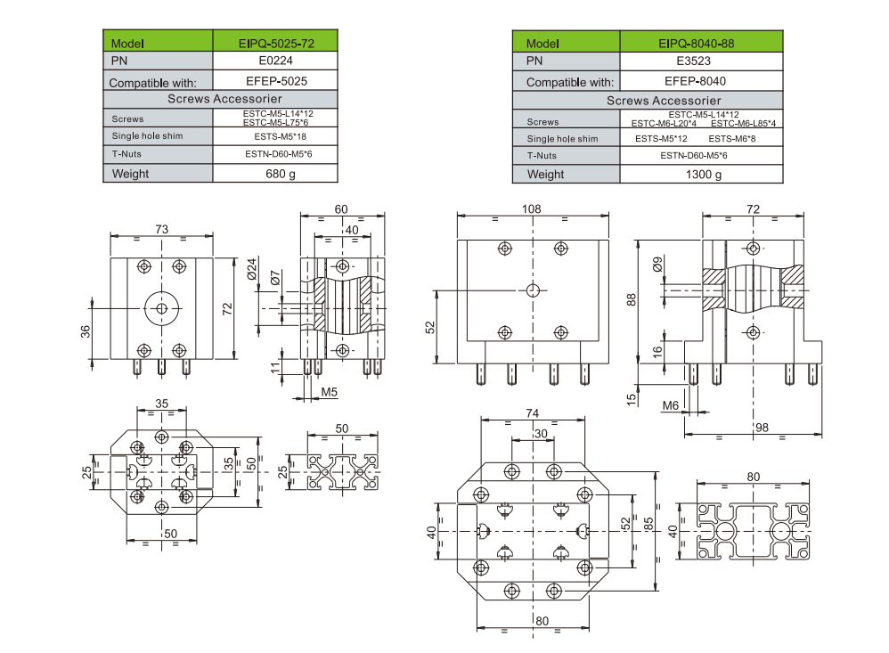
Interface For Square Profile Quick Changer (kit with screws)
Contact us
Product description
Previous:
3 series main cylinder
Next:
Flat Straight Connector (kit with screws)
Customer Service
President of Sales and After sales Service
Welcome to contact us
The Emmair Group team will be happy to provide you with comprehensive knowledge about injection molding
Contact Us
Tel
Consult:
+86-135-0981-8809
+86-0769-83001055
WeChat
Business
Mobile
Mobile Station
TOP
Consult